產品介紹
海藍機電專業銷售原裝三菱PLC,三菱原裝PLC模塊,價格優惠,大量現貨!服務熱線:400-8819-130、0755-88356415。
FX2N-1PG|三菱PLC原裝進口模塊用戶指南|百度文庫信息|使用手冊|FX2N-1PG編程及應用實例
三菱FX2N-1PG定位模塊是三菱PLC功能模塊之一 ,可單軸控制,脈沖輸出最大可達100 KB/s。針對定位控制的特點,該模塊具有完善的控制參數設定,如定位目標跟蹤、運行速度、爬行速度、加減速時間等。這些參數都可通過PLC的FROM/TO指令設定。除高速響應輸出外,還有常用的輸入控制,如正反限位開關、STOP、DOG(回參考點開關信號)、PG0(參考點信號)等。此外,還內置了許多軟控制位,如返回原點、向前、向后等。對這些特定的功能,只要通過設置特定的緩沖單元已定義的位就可實現。
1、系統組成
圖1是采用FX2N-1PG定位模塊的位置控制系統組成。其中:滑臺的定位控制由交流伺服電機通過滾珠絲杠來帶動,滑臺的正反向運動由電機的正反轉控制,滑臺移動的速度由電機的轉速決定。伺服電機由MR-J2S伺服裝置驅動,MR-J2S接受FX2N-1PG定位模塊發出的正向或反向位置脈沖信號;FX2N-1PG和FX2N-32MT通過數據線連接,進行數據通信。位置和速度數據由觸摸屏F930GOT通過RS422輸入。
伺服電機末端的光電編碼器將絲杠的角位移和電機轉速以脈沖的形式反饋至MR-J2S的CN2口,在MR-J2S中完成位置控制和速度控制。整個位置控制系統實際上是位置半閉環的伺服系統。

圖1 控制系統組成
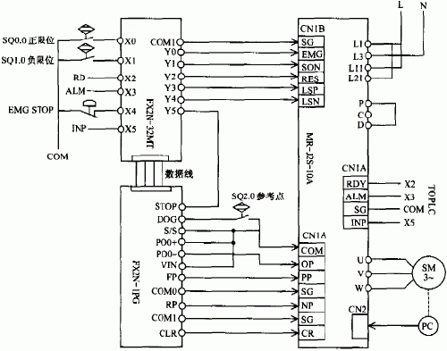
2、系統接口
圖2是位置控制系統的接口示意圖。

圖2 系統接口
端口定義如下:
x0——正限位,接近開關SQO.0輸入;
x1——負限位,接近開關SQ1.0輸入;
x2——伺服準備好輸入信號,來自MR-J2S伺服驅動SV RDY輸出;
x3——伺服報警輸入,來自MR-J2S伺服報警ALM輸出;
x4——緊停開關輸入;
X5——伺服結束信號輸入,來自MR-J2S伺服驅動INP輸出;
Y0——緊停輸出;
Yl——伺服ON;
Y2——復位輸出;
Y3——伺服正限位輸出;
Y4——伺服負限位輸出;
Y5——伺服停止輸出。
回參考點接近開關SQ2.0與定位模塊FX2N-1PG的DOG相接,FX2N.1PG的正向FP和反向RP脈沖輸出口分別與MR J2S的PP和NP口相接,其余連線按標準連接。
3、程序編制
位置控制PLC程序由FX-PCS/WIN-C編程軟件實現。程序由定位模塊初始設定、參數計算、位置編輯及執行、伺服狀態指示和報警等部分組成。
3.1 定位模塊初始化設定
在全行程位移x上,定位模塊初始化設定完成手動速度最高值設定、回參考點速度和接近速度設定、加減速時間設定、標志和狀態顯示設定等。其中,回參考點如圖3所示。

圖3 回參考點示意圖
回參考點功能啟動后,滑塊先以v1速度快速向參考點方向運動,碰到減速開關SQ2.0產生DOG信號,伺服電機轉速迅速降低,滑塊以v2接近速度慢速移動。當增量式光電編碼器產生一轉脈沖(零標志)時,電機停止,滑塊所停位置即為參考點位置。回參考點PLC梯形圖如圖4所示。

圖4 回參考點PLC梯形圖
3.2 定位位置和速度設定
在這一部分中,主要完成定位位置和速度設定,并在每一定位點執行任務。圖5為定位控制和任務執行示意圖。

圖5 定位控制和任務執行
滑塊先以速度v1移至位置1,在位置1執行任務A,完成后,再以速度 :移至位置2,執行任務B。依次類推,直到整個工序完成。相應的PLC梯形圖如圖6所示。

圖6 定位位置和速度設定的PLC梯形圖
4、結語
利用三菱PLC定位模塊可充分體現控制系統靈活、可靠性高的特點,與數字式交流伺服系統可組成高精度的位置控制系統。在給出的三菱PLC程序基礎上,根據不同的工藝要求,充分利用PLC的I/O,將每一定位點上所要完成的任務嵌套在定位程序中,充分發揮三菱PLC順序控制的功能。本位置控制裝置在上海電機學院投入實驗、實訓已近3年,運行可靠,定位正確,擴展靈活,設備調試現場感強。另外,本裝置若采用二軸定位模塊,可實現平面定位的功能,以滿足平面定位的控制要求。
【深圳海藍機電設備有限公司】10多年專注三菱原裝工控領域,專業代理原裝三菱plc、三菱變頻器、三菱伺服電機、三菱觸摸屏、三菱減速機、三菱機器人等原裝進口自動化產品,備有各類現貨庫存高達2000多種,100%原裝正品!服務熱線:400-8819-130、0755-88356415。




